Property
Account |
| Property ID: | 35581 | Abbreviated Legal Description: | OCEAN GROVE ESTATES #2 BLK 4 LOT 14 |
| Parcel # / Geo ID: | 977100411 | Agent Code: | |
| Type: | Real | | |
| Tax Area: | 0111 - 1-50F1E1H2L1 | Land Use Code | 18 |
| Open Space: | N | DFL | N |
| Historic Property: | N | Remodel Property: | N |
| Multi-Family Redevelopment: | N | | |
| Township: | 30N | Section: | 24 |
| Range: | 2W |
Location |
| Address: | | Mapsco: | 059/014 |
| Neighborhood: | OCEANGROVE | Map ID: | |
| Neighborhood CD: | 5560 |
Owner |
| Name: | DEWITT FAMILY TRUST | Owner ID: | 109756 |
| Mailing Address: | JAMES H & LYNNE E DEWITT TRUSTEES 1240 W SIMS WAY #14 PORT TOWNSEND, WA 98368 | % Ownership: | 100.0000000000% |
| | | Exemptions: | |
Pay Tax Due
Select the appropriate checkbox next to the year to be paid. Multiple years may be selected.
*Convenience Fee not included
Taxes and Assessment Details
Property Tax Information as of
03/11/2026
Click on "Statement Details" to expand or collapse a tax statement.
* Please enter a valid date ** Please enter a valid date *
Statement Details |
| 2026 | 24817 | STATE - STATE LEVY (SCHOOL) | $238.22 | $238.21 | $0.00 | $0.00 | $0.00 | $476.43 |
| 2026 | 24817 | COUNTY - COUNTY LEVIES (CE, DD, VET, MH) | $95.24 | $95.23 | $0.00 | $0.00 | $0.00 | $190.47 |
| 2026 | 24817 | CONSERVE - CONSERVATION FUTURES | $2.86 | $2.85 | $0.00 | $0.00 | $0.00 | $5.71 |
| 2026 | 24817 | COROADS - COUNTY ROADS (ROADS, DIV TO CE) | $76.83 | $76.83 | $0.00 | $0.00 | $0.00 | $153.66 |
| 2026 | 24817 | PORTPT - PORT DISTRICT | $38.47 | $38.46 | $0.00 | $0.00 | $0.00 | $76.93 |
| 2026 | 24817 | PUD1 - PUD #1 | $6.20 | $6.19 | $0.00 | $0.00 | $0.00 | $12.39 |
| 2026 | 24817 | LIB1 - LIBRARY DIST #1 | $29.73 | $29.72 | $0.00 | $0.00 | $0.00 | $59.45 |
| 2026 | 24817 | HD2 - HOSP DIST #2 | $5.56 | $5.55 | $0.00 | $0.00 | $0.00 | $11.11 |
| 2026 | 24817 | SD50 - SCHOOL DIST #50 | $188.73 | $188.70 | $0.00 | $0.00 | $0.00 | $377.43 |
| 2026 | 24817 | FD1 - FIRE DISTRICT #1 | $126.12 | $126.11 | $0.00 | $0.00 | $0.00 | $252.23 |
| 2026 | 24817 | EMS1 - FIRE DIST #1 EMS | $48.49 | $48.49 | $0.00 | $0.00 | $0.00 | $96.98 |
| 2026 | 24817 | JCCD - JC Conservation District | $2.53 | $2.53 | $0.00 | $0.00 | $0.00 | $5.06 |
| 2026 | 24817 | NWA - Noxious Weed Assessment | $2.98 | $2.97 | $0.00 | $0.00 | $0.00 | $5.95 |
| 2026 | 24817 | WAT - Clean Water District | $13.00 | $13.00 | $0.00 | $0.00 | $0.00 | $26.00 |
| 2026 | 24817 | TOTAL: | $874.96 | $874.84 | $0.00 | $0.00 | $0.00 | $1749.80 |
|
| 2026 | 24817 | $874.96 | $874.84 | $0.00 | $0.00 | $0.00 | $1749.80 |
Statement Details |
| 2025 | 24885 | STATE - STATE LEVY (SCHOOL) | $260.54 | $260.53 | $0.00 | $0.00 | $521.07 | $0.00 |
| 2025 | 24885 | COUNTY - COUNTY LEVIES (CE, DD, VET, MH) | $102.46 | $102.44 | $0.00 | $0.00 | $204.90 | $0.00 |
| 2025 | 24885 | CONSERVE - CONSERVATION FUTURES | $3.07 | $3.07 | $0.00 | $0.00 | $6.14 | $0.00 |
| 2025 | 24885 | COROADS - COUNTY ROADS (ROADS, DIV TO CE) | $82.09 | $82.07 | $0.00 | $0.00 | $164.16 | $0.00 |
| 2025 | 24885 | PORTPT - PORT DISTRICT | $41.81 | $41.80 | $0.00 | $0.00 | $83.61 | $0.00 |
| 2025 | 24885 | PUD1 - PUD #1 | $6.71 | $6.70 | $0.00 | $0.00 | $13.41 | $0.00 |
| 2025 | 24885 | LIB1 - LIBRARY DIST #1 | $31.76 | $31.75 | $0.00 | $0.00 | $63.51 | $0.00 |
| 2025 | 24885 | HD2 - HOSP DIST #2 | $5.98 | $5.97 | $0.00 | $0.00 | $11.95 | $0.00 |
| 2025 | 24885 | SD50 - SCHOOL DIST #50 | $190.42 | $190.40 | $0.00 | $0.00 | $380.82 | $0.00 |
| 2025 | 24885 | FD1 - FIRE DISTRICT #1 | $135.20 | $135.20 | $0.00 | $0.00 | $270.40 | $0.00 |
| 2025 | 24885 | EMS1 - FIRE DIST #1 EMS | $52.00 | $52.00 | $0.00 | $0.00 | $104.00 | $0.00 |
| 2025 | 24885 | JCCD - JC Conservation District | $2.55 | $2.55 | $0.00 | $0.00 | $5.10 | $0.00 |
| 2025 | 24885 | NWA - Noxious Weed Assessment | $2.15 | $2.15 | $0.00 | $0.00 | $4.30 | $0.00 |
| 2025 | 24885 | WAT - Clean Water District | $13.00 | $13.00 | $0.00 | $0.00 | $26.00 | $0.00 |
| 2025 | 24885 | TOTAL: | $929.74 | $929.63 | $0.00 | $0.00 | $1859.37 | $0.00 |
|
| 2025 | 24885 | $929.74 | $929.63 | $0.00 | $0.00 | $1859.37 | $0.00 |
Statement Details |
| 2024 | 24931 | STATE - STATE LEVY (SCHOOL) | $200.62 | $200.61 | $0.00 | $0.00 | $401.23 | $0.00 |
| 2024 | 24931 | COUNTY - COUNTY LEVIES (CE, DD, VET, MH) | $85.86 | $85.83 | $0.00 | $0.00 | $171.69 | $0.00 |
| 2024 | 24931 | CONSERVE - CONSERVATION FUTURES | $2.58 | $2.57 | $0.00 | $0.00 | $5.15 | $0.00 |
| 2024 | 24931 | COROADS - COUNTY ROADS (ROADS, DIV TO CE) | $69.09 | $69.07 | $0.00 | $0.00 | $138.16 | $0.00 |
| 2024 | 24931 | PORTPT - PORT DISTRICT | $35.46 | $35.46 | $0.00 | $0.00 | $70.92 | $0.00 |
| 2024 | 24931 | PUD1 - PUD #1 | $5.64 | $5.64 | $0.00 | $0.00 | $11.28 | $0.00 |
| 2024 | 24931 | LIB1 - LIBRARY DIST #1 | $26.73 | $26.72 | $0.00 | $0.00 | $53.45 | $0.00 |
| 2024 | 24931 | HD2 - HOSP DIST #2 | $5.01 | $5.01 | $0.00 | $0.00 | $10.02 | $0.00 |
| 2024 | 24931 | SD50 - SCHOOL DIST #50 | $162.31 | $162.30 | $0.00 | $0.00 | $324.61 | $0.00 |
| 2024 | 24931 | FD1 - FIRE DISTRICT #1 | $113.51 | $113.51 | $0.00 | $0.00 | $227.02 | $0.00 |
| 2024 | 24931 | EMS1 - FIRE DIST #1 EMS | $43.36 | $43.35 | $0.00 | $0.00 | $86.71 | $0.00 |
| 2024 | 24931 | JCCD - JC Conservation District | $2.55 | $2.55 | $0.00 | $0.00 | $5.10 | $0.00 |
| 2024 | 24931 | NWA - Noxious Weed Assessment | $2.15 | $2.15 | $0.00 | $0.00 | $4.30 | $0.00 |
| 2024 | 24931 | WAT - Clean Water District | $12.50 | $12.50 | $0.00 | $0.00 | $25.00 | $0.00 |
| 2024 | 24931 | TOTAL: | $767.37 | $767.27 | $0.00 | $0.00 | $1534.64 | $0.00 |
|
| 2024 | 24931 | $767.37 | $767.27 | $0.00 | $0.00 | $1534.64 | $0.00 |
Statement Details |
| 2023 | 24970 | STATE - STATE LEVY (SCHOOL) | $201.78 | $201.77 | $0.00 | $0.00 | $403.55 | $0.00 |
| 2023 | 24970 | COUNTY - COUNTY LEVIES (CE, DD, VET, MH) | $88.06 | $88.04 | $0.00 | $0.00 | $176.10 | $0.00 |
| 2023 | 24970 | CONSERVE - CONSERVATION FUTURES | $2.64 | $2.64 | $0.00 | $0.00 | $5.28 | $0.00 |
| 2023 | 24970 | COROADS - COUNTY ROADS (ROADS, DIV TO CE) | $71.25 | $71.23 | $0.00 | $0.00 | $142.48 | $0.00 |
| 2023 | 24970 | PORTPT - PORT DISTRICT | $37.09 | $37.09 | $0.00 | $0.00 | $74.18 | $0.00 |
| 2023 | 24970 | PUD1 - PUD #1 | $5.84 | $5.83 | $0.00 | $0.00 | $11.67 | $0.00 |
| 2023 | 24970 | LIB1 - LIBRARY DIST #1 | $27.56 | $27.56 | $0.00 | $0.00 | $55.12 | $0.00 |
| 2023 | 24970 | HD2 - HOSP DIST #2 | $5.14 | $5.14 | $0.00 | $0.00 | $10.28 | $0.00 |
| 2023 | 24970 | SD50 - SCHOOL DIST #50 | $160.12 | $160.11 | $0.00 | $0.00 | $320.23 | $0.00 |
| 2023 | 24970 | FD1 - FIRE DISTRICT #1 | $72.54 | $72.53 | $0.00 | $0.00 | $145.07 | $0.00 |
| 2023 | 24970 | EMS1 - FIRE DIST #1 EMS | $30.86 | $30.85 | $0.00 | $0.00 | $61.71 | $0.00 |
| 2023 | 24970 | JCCD - JC Conservation District | $2.55 | $2.55 | $0.00 | $0.00 | $5.10 | $0.00 |
| 2023 | 24970 | NWA - Noxious Weed Assessment | $2.15 | $2.15 | $0.00 | $0.00 | $4.30 | $0.00 |
| 2023 | 24970 | WAT - Clean Water District | $12.00 | $12.00 | $0.00 | $0.00 | $24.00 | $0.00 |
| 2023 | 24970 | TOTAL: | $719.58 | $719.49 | $0.00 | $0.00 | $1439.07 | $0.00 |
|
| 2023 | 24970 | $719.58 | $719.49 | $0.00 | $0.00 | $1439.07 | $0.00 |
Values
| (+) Improvement Homesite Value: | + | $0 | |
| (+) Improvement Non-Homesite Value: | + | $124,726 | |
| (+) Land Homesite Value: | + | $0 | |
| (+) Land Non-Homesite Value: | + | $82,500 | |
| (+) Curr Use (HS): | + | $0 | $0 |
| (+) Curr Use (NHS): | + | $0 | $0 |
| | | -------------------------- | |
| (=) Market Value: | = | $207,226 | |
| (–) Productivity Loss: | – | $0 | |
| | | -------------------------- | |
| (=) Subtotal: | = | $207,226 | |
| (+) Senior Appraised Value: | + | $0 | |
| (+) Non-Senior Appraised Value: | + | $207,226 | |
| | | -------------------------- | |
| (=) Total Appraised Value: | = | $207,226 | |
| (–) Senior Exemption Loss: | – | $0 | |
| (–) Exemption Loss: | – | $0 | |
| | | -------------------------- | |
| (=) Taxable Value: | = | $207,226 | |
Taxing Jurisdiction
| Owner: | DEWITT FAMILY TRUST | | |
| % Ownership: | 100.0000000000% | | |
| Total Value: | N/A | | |
| Tax Area: | 0111 - 1-50F1E1H2L1 |
| CE | COUNTY CURRENT EXPENSE | N/A | N/A | N/A | N/A | | |
| CNTYDD | DEVELOPMENTAL DISABILITIES | N/A | N/A | N/A | N/A | | |
| CNTYVET | VETERANS RELIEF | N/A | N/A | N/A | N/A | | |
| MENTAL | MENTAL HEALTH | N/A | N/A | N/A | N/A | | |
| ROADS | COUNTY ROADS | N/A | N/A | N/A | N/A | | |
| HOSP2CASH | HOSP DIST #2 GENERAL | N/A | N/A | N/A | N/A | | |
| SCH50BOND | SCHOOL DIST #50 BOND 2016 | N/A | N/A | N/A | N/A | | |
| SCH50CP | SCHOOL DIST #50 CAP PROJ | N/A | N/A | N/A | N/A | | |
| SCH50MO | SCHOOL DIST #50 EP & O | N/A | N/A | N/A | N/A | | |
| CONSERVE | CONSERVATION FUTURES | N/A | N/A | N/A | N/A | | |
| EMS1 | FIRE DIST #1 EMS | N/A | N/A | N/A | N/A | | |
| FD1 | FIRE DIST #1 GENERAL | N/A | N/A | N/A | N/A | | |
| LIB1 | LIBRARY DIST #1 GENERAL | N/A | N/A | N/A | N/A | | |
| PORTPT | PORT OF PT GENERAL | N/A | N/A | N/A | N/A | | |
| PORTPTIDD | PORT OF PT IDD 2019 | N/A | N/A | N/A | N/A | | |
| PUD1 | PUD #1 GENERAL | N/A | N/A | N/A | N/A | | |
| STATE | STATE SCHOOL PART 1 | N/A | N/A | N/A | N/A | | |
| STATE2 | STATE SCHOOL PART 2 | N/A | N/A | N/A | N/A | | |
| | Total Tax Rate: | N/A | | | | | |
| | | | | Taxes w/Current Exemptions: | N/A | | |
| | | | | Taxes w/o Exemptions: | N/A | | |
Improvement / Building
| Improvement #1: | Residential Bldg | State Code: | 19 | 0.0 sqft | Value: | $124,726 |
| | Type | Description | Class CD | Sub Class CD | Year Built | Area |
| | GBLTIN | Builtin Garage | 5 | * | 1989 | 720.0 |
| | ADDN | Addition (Table Not Dep) | 5 | * | 1989 | 480.0 |
| | CONCD | Concrete Drive | 5 | * | 1989 | 600.0 |
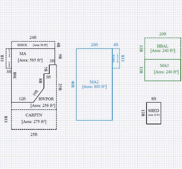
Sketch
Property Image
Land
| 1 | 5560-1135L | | 0.0000 | 0.00 | 0.00 | 0.00 | 1.00 | $82,500 | $0 |
Roll Value History
| 2026 | N/A | N/A | N/A | N/A | N/A |
| 2025 | $124,726 | $82,500 | $0 | $207,226 | $207,226 |
| 2024 | $130,666 | $86,625 | $0 | $217,291 | $217,291 |
| 2023 | $126,423 | $47,000 | $0 | $173,423 | $173,423 |
| 2022 | $126,423 | $45,000 | $0 | $171,423 | $171,423 |
Deed and Sales History
| 1 | 09/22/2023 | SWD | Statutory Warranty Deed | NELSON FAMILY TRUST | DEWITT FAMILY TRUST | | | $2,250,000.00 | 141640 | |
|   | |
| 2 | 09/07/2015 | QCD | Quit Claim Deed | | | | | | 127689 | |
| 3 | 09/07/2015 | QCD | Quit Claim Deed | | | | | | 123922 | |
Payout Agreement
| No payout information available.. |